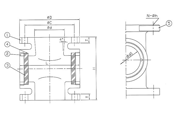
| Размеры | |||||||||
| Н/Д | φD | φC | φD | N-Φh | Т | ЧАС | Л | Φd1 | |
| 15А | 15 | 60 | 80 | 4-12 | 12 | 80 | 75 | 15 | |
| 20А | 20 | 65 | 85 | 4-12 | 14 | 85 | 80 | 20 | |
| 25А | 25 | 75 | 95 | 4-12 | 14 | 90 | 86 | 25 | |
| 32А | 32 | 90 | 115 | 4-15 | 16 | 100 | 94 | 32 | |
| 40А | 40 | 95 | 120 | 4-15 | 16 | 100 | 102 | 40 | |
| 50А | 50 | 105 | 130 | 4-15 | 16 | 115 | 115 | 50 | |
| 65А | 65 | 130 | 155 | 4-15 | 18 | 160 | 140 | 65 | |
| 80А | 80 | 145 | 180 | 4-19 | 18 | 180 | 158 | 80 | |
| 100А | 100 | 165 | 200 | 8-19 | 20 | 210 | 178 | 85 | |
| 125А | 125 | 200 | 235 | 8-19 | 20 | 245 | 208 | 115 | |
| 150А | 150 | 230 | 265 | 8-19 | 22 | 310 | 232 | 150 | |
| 200А | 200 | 280 | 320 | 8-23 | 24 | 380 | 294 | 200 | |
| 250А | 250 | 345 | 385 | 12-23 | 26 | 400 | 344 | 250 | |
| 300А | 300 | 390 | 430 | 12-23 | 28 | 450 | 406 | 300 | |
| 350А | 350 | 435 | 480 | 12-23 | 30 | 510 | 460 | 350 | |
| Список материалов | |||||
| НЕТ. | ОПИСАНИЕ | МАТЕРИАЛ | Q’TY | ПРИМЕЧАНИЕ | |
| 1 | ТЕЛО | FC200 | 1 | ||
| 2 | ЖЕЛЕЗА ОРЕХ | SS400 | 2 | ||
| 3 | СТЕКЛО | ТЕРМОСТОЙКИЙ | 2 | ||
| 4 | ПРОКЛАДКА | БЕЗ АСБЕСТА | 4 | ||
| 5 | ТАБЛИЧКА С НАЗВАНИЕМ | БСП1 | 1 | ||
No. 7, inside No. 345, Linfu West Street, Yingdong Village, Beian Sub-district Office, Jimo District, Qingdao City, Shandong Province