Морские чугунные задвижки 5K/10K/16K

EN RU ES AR
MARINE CASTIRON 5K/10K/16K GATE VALVES
_0000_企业微信截图_17630892013326

Морские чугунные задвижки 5K/10K/16K

ДЕЛИТЬСЯ:

ПОДРОБНАЯ ИНФОРМАЦИЯ О ТОВАРЕ
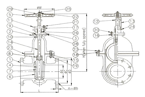
Размеры                                                  единица измерения: мм
РейтингРАЗМЕРφdLHФланец FF
φDφCtn-φh
5K50A5019097130105164-15
65A65220119155130184-15
80A80250129180145184-19
100A100280146200165208-19
125A125330171235200208-19
150A150380198265230228-19
200A200460235320280248-23
250A2505502903853452612-23
10K50A50210109155120204-19
65A65240126175140224-19
80A80270136185150228-19
100A100300153210175248-19
125A125350180250210248-23
150A150400205280240268-23
200A2004802423302902612-23


Список материалов
NO.ДеталиМатериал
1ТелоFC200
2КапотFC200
3ДискCAC406(BC6)
4седло клапанаCAC406(BC6)
5РукаCAC406(BC6)
6Шарнирный штифтC3604
7ЗатыкатьC3604
8Шестигранная гайкаC3604
9Стиральная машинаC2801
10ШплинтC2600
11ШпилькаSS400
12Шестигранная гайкаSS400
13ПрокладкаNON ASBESTOS
14ПрокладкаPTFE


Единица измерения гидростатического давления при испытаниях: кгс/см²
Рейтинг510
Гидравлический осмотр кузова10.521
Проверка герметичности седла клапана7.7to415.4to4


Максимальное рабочее давление                      Единица измерения: кгс/см²
                

Рейтинг

Состояние жидкости

510
Масло и пульсационная вода510
Нешоковая вода с температурой 120℃ или ниже714


РАССЛЕДОВАНИЕ
СВЯЗАТЬСЯ С НАМИ
  • Адрес:

    No. 7, inside No. 345, Linfu West Street, Yingdong Village, Beian Sub-district Office, Jimo District, Qingdao City, Shandong Province

  • Электронная почта:
  • телефон:
Follow US
ОНЛАЙН-СООБЩЕНИЕ