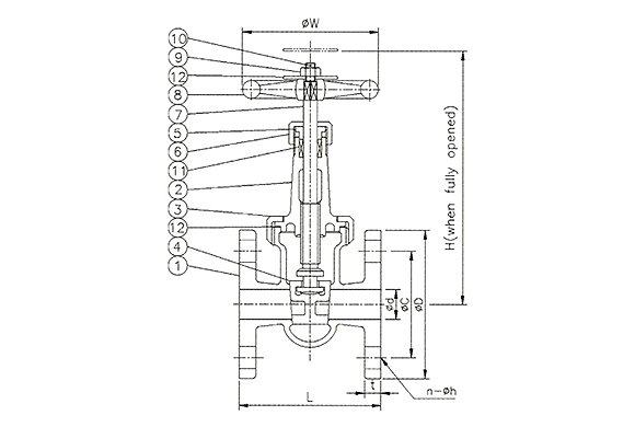
| Размеры (единица измерения: мм) | |||||||||||||
| Рейтинг | РАЗМЕР | φd | Л | ЧАС | Фланец FF | φW | Вес (кг) | ||||||
| φD | φC | т | н—φh | ||||||||||
| 5K F7367 | 15А | 15 | 90 | 175 | 80 | 60 | 9 | 4-12 | 80 | 2.29 | |||
| 20А | 20 | 100 | 200 | 85 | 65 | 10 | 4-12 | 80 | 2.98 | ||||
| 25А | 25 | 110 | 220 | 95 | 75 | 10 | 4-12 | 100 | 4.10 | ||||
| 32А | 32 | 130 | 250 | 115 | 90 | 12 | 4-15 | 100 | 5.79 | ||||
| 40А | 40 | 140 | 290 | 120 | 95 | 12 | 4-15 | 125 | 7.78 | ||||
| 10K F7368 | 15А | 15 | 100 | 175 | 95 | 70 | 12 | 4-15 | 80 | 2.96 | |||
| 20А | 20 | 110 | 200 | 100 | 75 | 14 | 4-15 | 80 | 3.89 | ||||
| 25А | 25 | 120 | 220 | 125 | 90 | 14 | 4-19 | 100 | 5.82 | ||||
| 32А | 32 | 140 | 250 | 135 | 100 | 16 | 4-19 | 100 | 7.52 | ||||
| 40А | 40 | 150 | 290 | 140 | 105 | 16 | 4-19 | 125 | 9.71 | ||||
| Список материалов | |||
| НЕТ. | Детали | Материал | |
| 1 | Тело | CAC406(BC6) | |
| 2 | Капот | CAC406(BC6) | |
| 3 | Диск | CAC406(BC6) | |
| 4 | Дисковая гайка | CAC406(BC6) | |
| 5 | Уплотнительная сальниковая прокладка | C3604 | |
| 6 | Гайка сальникового уплотнения | C3604 | |
| 7 | Корень | C3771 | |
| 8 | Маховик | FC200 | |
| 9 | Шестигранная гайка | C3604 | |
| 10 | Шплинт | C2600 | |
| 11 | Упаковка | ГРАФИТ | |
| 12 | Табличка с названием | C2801 или SUS304 | |
| Единица измерения гидростатического давления при испытаниях : кгс/с· м² | |||||||||
| Рейтинг | 5 | 10 | |||||||
| Оболочка | 10.5 | 21.0 | |||||||
| Сиденье | 7.7 | 15.4 | |||||||
| Максимальное рабочее давление (в единицах измерения): кгс/см² | ||||||||
| Оценка состояния жидкости | 5 | 10 | ||||||
| Пар | 2 | 2 | ||||||
| Масло и пульсационная вода | 5 | 10 | ||||||
| Нешоковая вода температурой 120℃ или ниже | 7 | 14 | ||||||
No. 7, inside No. 345, Linfu West Street, Yingdong Village, Beian Sub-district Office, Jimo District, Qingdao City, Shandong Province